"Calculation of distillation column"
Sold <10
0 000 X
There are no such quantities in stock
By clicking the button, you agree to
terms for buyers
Secure deal
Instant delivery
Product description
Course project on the discipline "Design of processes and apparatuses of chemical technology"
Topic: "Design of a distillation plant for a mixture of water - acetic acid"
Initial data:
Separation mixture: acetic acid - water
1. The productivity of the plant for the initial mixture is 5 t/h
2. The temperature of the initial mixture is 25 degrees.
3. The content of the volatile component:
in the initial mixture of 40% of the mass.
in rectified 97% of the mass.
in bottom liquid 0.5% wt.
4. Pressure in the column 760 mm Hg.
5. Type of column - packed
6. Type of contact elements - select
7. Pressure of saturated water vapor supplied to the boiler - select
8. Vapor condensation in the dephlegmator - complete
PP content:
1. Title page
2. Design task form
3. Table of contents
4. Introduction
5. Material balance installation
6. Calculation of the working reflux ratio
7. Calculation of the main dimensions of the column (diameter and height)
8. Selection and calculation of heat exchangers
9. Calculation of the thermal insulation thickness of one of the devices
10. Calculation and selection of pipelines
11. Calculation and selection of the initial mixture pump
12. Selection of containers
13. List of used literature
Topic: "Design of a distillation plant for a mixture of water - acetic acid"
Initial data:
Separation mixture: acetic acid - water
1. The productivity of the plant for the initial mixture is 5 t/h
2. The temperature of the initial mixture is 25 degrees.
3. The content of the volatile component:
in the initial mixture of 40% of the mass.
in rectified 97% of the mass.
in bottom liquid 0.5% wt.
4. Pressure in the column 760 mm Hg.
5. Type of column - packed
6. Type of contact elements - select
7. Pressure of saturated water vapor supplied to the boiler - select
8. Vapor condensation in the dephlegmator - complete
PP content:
1. Title page
2. Design task form
3. Table of contents
4. Introduction
5. Material balance installation
6. Calculation of the working reflux ratio
7. Calculation of the main dimensions of the column (diameter and height)
8. Selection and calculation of heat exchangers
9. Calculation of the thermal insulation thickness of one of the devices
10. Calculation and selection of pipelines
11. Calculation and selection of the initial mixture pump
12. Selection of containers
13. List of used literature
Main features
- Content type File
- Content description 1682,39 kB
- Added to the site 09.01.2025
Additional description
Archive content:
- Settlement and explanatory note (MS Word)
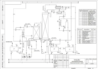
- Distillation column. General view drawing (KOMPAS-3D)
- Rectification installation. Technological scheme (KOMPAS-3D)
- Settlement and explanatory note (MS Word)
- Distillation column. General view drawing (KOMPAS-3D)
- Rectification installation. Technological scheme (KOMPAS-3D)
Images
Reviews
No reviews yet
0 000 X
There are no such quantities in stock
By clicking the button, you agree to
terms for buyers
Secure deal
Instant delivery
NikMin
1
Cumulative discount
15 $ | the discount is 7% |
Check your discount
Amount of purchases from the seller: $
Your discount: %
NikMin
1
Cumulative discount
15 $ | the discount is 7% |
Check your discount
Amount of purchases from the seller: $
Your discount: %