Подключение внешних кабелей завесы типа "Универсал ПРО
Продано менее 10
                                0 000 X
                                
                            
                            
                        
        
        
            
            
                В наличии нет такого количества товара
            
        
        
    
                    
                            Нажимая на кнопку, вы соглашаетесь с
                            
                                правилами покупки
                            
                        
                    
                
                
                    Безопасная сделка
                
            
            
            
                
                    
                    
                        Мгновенная доставка
                    
                
            
        Описание товара
                        
        
            
        
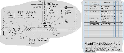
    Схема электроснабжения и кабели внешних подключений воздушной завесы типа "Универсал ПРО 1203Ed".
                    
                    
        
            Основные характеристики
- Тип содержимого Файл
 - Описание содержимого 249,51 Кбайт
 - Обновлен на площадке 11.03.2021
 
Дополнительное описание
                        Файл в формате cdw (Компас, версия 15). Для понимания дополнительно во вложении фрагмент плана распределительной сети (Jpg формат) с указанием элеменов и кабелей. Для курсового проектирования.
                    
                Изображения
Отзывы
Отзывов пока нет
                                0 000 X
                                
                            
                            
                        
        
        
            
            
                В наличии нет такого количества товара
            
        
        
    
                    
                            Нажимая на кнопку, вы соглашаетесь с
                            
                                правилами покупки
                            
                        
                    
                
                
                    Безопасная сделка
                
            
            
            
                
                    
                    
                        Мгновенная доставка