Курсовой проект "Расчет теплообменника"
Продано менее 10
0 000 X
В наличии нет такого количества товара
Нажимая на кнопку, вы соглашаетесь с
правилами покупки
Безопасная сделка
Мгновенная доставка
Описание товара
Курсовой проект по дисциплине "Процессы и аппараты химической технологии"
Тема: "Расчет теплообменника"
Исходные данные:
1. Расход паров (G1): 6,5 т/час или 1,81 кг/с;
2. Охлаждаемая смесь паров: бензол-толуол;
3. Массовая концентрация легколетучего компонента в паре (Хо бенз.) = 98 %
4. Начальная температура охлаждающей воды t2н = 15,5 °С;
5. Принимаем конечную температуру воды t2к = 30 °С.
Содержание ПЗ:
Введение
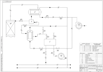
1. Технологическая схема
2. Расчёт
2.1. Исходные данные
2.2. Свойства конденсируемой паровой смеси и конденсата
2.3. Свойства охлаждающей воды при средней температуре
2.4. Расчёт и выбор конденсатора
2.5. Расчёт гидравлического сопротивления конденсатора
2.6. Расчёт и выбор насоса
2.6.1. Расчет всасывающей линии
2.6.2. Расчет нагнетающей линии
2.6.3. Выбор насоса
Заключение
Список литературы
Тема: "Расчет теплообменника"
Исходные данные:
1. Расход паров (G1): 6,5 т/час или 1,81 кг/с;
2. Охлаждаемая смесь паров: бензол-толуол;
3. Массовая концентрация легколетучего компонента в паре (Хо бенз.) = 98 %
4. Начальная температура охлаждающей воды t2н = 15,5 °С;
5. Принимаем конечную температуру воды t2к = 30 °С.
Содержание ПЗ:
Введение
1. Технологическая схема
2. Расчёт
2.1. Исходные данные
2.2. Свойства конденсируемой паровой смеси и конденсата
2.3. Свойства охлаждающей воды при средней температуре
2.4. Расчёт и выбор конденсатора
2.5. Расчёт гидравлического сопротивления конденсатора
2.6. Расчёт и выбор насоса
2.6.1. Расчет всасывающей линии
2.6.2. Расчет нагнетающей линии
2.6.3. Выбор насоса
Заключение
Список литературы
Основные характеристики
- Тип содержимого Файл
- Описание содержимого 424,06 Кбайт
- Обновлен на площадке 09.01.2025
Дополнительное описание
Содержание архива:
- Пояснительная записка (MS Word)
- Спецификация (MS Word)
- Теплообменник. Чертеж общего вида (КОМПАС-3D)
- Технологическая схема (КОМПАС-3D)
- Пояснительная записка (MS Word)
- Спецификация (MS Word)
- Теплообменник. Чертеж общего вида (КОМПАС-3D)
- Технологическая схема (КОМПАС-3D)
Изображения
Отзывы
Отзывов пока нет
0 000 X
В наличии нет такого количества товара
Нажимая на кнопку, вы соглашаетесь с
правилами покупки
Безопасная сделка
Мгновенная доставка
NikMin
1
Накопительная скидка
| 15 $ | скидка 7% |
Проверить свою скидку
Сумма покупок у продавца: $
Ваша скидка: %
NikMin
1
Накопительная скидка
| 15 $ | скидка 7% |
Проверить свою скидку
Сумма покупок у продавца: $
Ваша скидка: %