Solution C1-40 (Figure C1.4 condition 0 SM Targ 1989)
Sold <10
0 000 X
There are no such quantities in stock
By clicking the button, you agree to
terms for buyers
Secure deal
Instant delivery
Product description
Solution C1-40 (Figure C1.4 condition 0 SM Targ 1989)
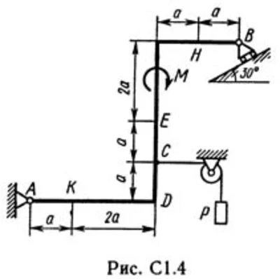
The rigid frame, located in the vertical plane (Fig. C1.0-C1.9, Table C1), is fixed at point A hinged, and at point B it is fixed to a weightless rod with hinges at the ends or to the hinged support on the rollers. At point C, a cable is attached to the frame, which is slung over the block and carrying a load of P = 25 kN at the end. A pair of forces with a torque M = 100 kNm and two forces are acting on the frame, the values, directions and application points of which are indicated in the table (for example, under conditions No. 1, the force F2 acts at an angle of 15 ° to the horizontal axis applied at the point D and the force F3 at an angle of 60 ° to the horizontal axis, applied at point E, etc.). Determine the reactions of bonds at the points A, B, caused by the current loads. In the final calculations, take a = 0.5 m.
The rigid frame, located in the vertical plane (Fig. C1.0-C1.9, Table C1), is fixed at point A hinged, and at point B it is fixed to a weightless rod with hinges at the ends or to the hinged support on the rollers. At point C, a cable is attached to the frame, which is slung over the block and carrying a load of P = 25 kN at the end. A pair of forces with a torque M = 100 kNm and two forces are acting on the frame, the values, directions and application points of which are indicated in the table (for example, under conditions No. 1, the force F2 acts at an angle of 15 ° to the horizontal axis applied at the point D and the force F3 at an angle of 60 ° to the horizontal axis, applied at point E, etc.). Determine the reactions of bonds at the points A, B, caused by the current loads. In the final calculations, take a = 0.5 m.
Main features
- Content type File
- Content description 19,03 kB
- Updated on the site 12.10.2017
Images
Reviews
No reviews yet
0 000 X
There are no such quantities in stock
By clicking the button, you agree to
terms for buyers
Secure deal
Instant delivery
Cumulative discount
| 200 $ | the discount is 15% |
| 100 $ | the discount is 10% |
| 50 $ | the discount is 7% |
| 20 $ | the discount is 5% |
| 10 $ | the discount is 3% |
| 5 $ | the discount is 2% |
| 1 $ | the discount is 1% |
Check your discount
Amount of purchases from the seller: $
Your discount: %
0.04 $ gift card for a positive review
Cumulative discount
| 200 $ | the discount is 15% |
| 100 $ | the discount is 10% |
| 50 $ | the discount is 7% |
| 20 $ | the discount is 5% |
| 10 $ | the discount is 3% |
| 5 $ | the discount is 2% |
| 1 $ | the discount is 1% |
Check your discount
Amount of purchases from the seller: $
Your discount: %
0.04 $ gift card for a positive review