Task C1 Option 71 (Fig. 7 conv. 1) termehu Targ 1988 Task C1 Option 71 (Fig. 7 conv. 1) termehu Targ 1988
Task C1 Option 71 (Fig. 7 conv. 1) termehu Targ 1988
Task C1 Option 71 (Fig. 7 conv. 1) termehu Targ 1988

Task C1 Option 71 (Fig. 7 conv. 1) termehu Targ 1988

Sold <10 Reviews 1
0 000 X
There are no such quantities in stock
By clicking the button, you agree to terms for buyers
Secure deal
Instant delivery

Product description

После оплаты Вы получите решение задачи С1 В71 (рисунок 7 условие 1) по термеху из решебника Тарга С.М. 1988 года для студентов-заочников. Решение выполнено по методическим указаниям и контрольным заданиям для заочников энергетических, горных, металлургических, электроприборостроения и автоматизации, технологических специальностей, а также геологических, электротехнических, электронной техники и автоматики, химико-технологических и инженерно-экономических специальностей ВУЗов. Решение оформлено в формате word, запаковано в архив zip.

Main features

  • Content type File
  • Content description 15,64 kB
  • Updated on the site 12.07.2013
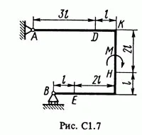
Решение задачи С1 Вариант 71 по теоретической механике из Тарга С.М. 1988 г.. Условие к задаче из раздела Статика 1 (стр. 12 в методичке Тарга): Жесткая рама, расположенная в вертикальной плоскости (рис. С1.0 — С1.9, табл. С1), закреплена в точке А шарнирно, а в точке В прикреплена или к невесомому стержню ВВ1, или к шарнирной опоре на катках; стержень прикреплен к раме и к неподвижной опоре шарнирами. На раму действуют пара сил с моментом М = 100 кН*м и две силы, значения, направления и точки приложения которых указаны в таблице (например, в условиях № 1 на раму действует сила F1 = 10 Н под углом 30° к горизонтальной оси, приложенная в точке K и сила F4 = 40 Н под углом 60° к горизонтальной оси, приложенная в точке H, и т. д.). Определить реакции связей в точках A, В, вызываемые заданными нагрузками. При окончательных расчетах принять l = 0,5 м.
Буду очень признателен, если после успешной сдачи работы Вы вернетесь на сайт и оставите положительный отзыв. Поверьте, для меня это очень Важно.
Заранее спасибо.

Images

Reviews

1 0
0 000 X
There are no such quantities in stock
By clicking the button, you agree to terms for buyers
Task C1 Option 71 (Fig. 7 conv. 1) termehu Targ 1988
3 Sold <10 Reviews 1
0 000 X
Secure deal
Instant delivery

Cumulative discount

250 $ the discount is 15%
50 $ the discount is 10%
30 $ the discount is 7%
15 $ the discount is 5%
5 $ the discount is 3%
3 $ the discount is 2%
1 $ the discount is 1%
Check your discount

Amount of purchases from the seller:  $

Your discount:  %

0.04 $ gift card for a positive review

Cumulative discount

250 $ the discount is 15%
50 $ the discount is 10%
30 $ the discount is 7%
15 $ the discount is 5%
5 $ the discount is 3%
3 $ the discount is 2%
1 $ the discount is 1%
Check your discount

Amount of purchases from the seller:  $

Your discount:  %

0.04 $ gift card for a positive review

You viewed